Standard
Image for illustrative purpose only
Number of contacts Low Voltage
3
Gender
Standard
Socket / Receptacle
Socket / Receptacle - Fixed Panel Rear Mounted
Locking system
Push-pull
Panel Drill Hole
M9
Size
0B
根据产品是标准(STANDARD)还是特殊(SPECIAL),适用不同的最小订购量(MOQ)。了解更多
对于原型制作或样品,可能会接受较低的最小订购量——请通过此链接提交您的请求。

Electrical Configuration

Number of contacts Low Voltage
3
Contact Termination Low voltage
PCB - Straight
R (max)
4.8 mOhm
Insert configuration value
0B.303 - 3 Low Voltage
Footprint IPC Class3 compatibility
Yes
Class3 Productibility Level Compatibility
A (General Design Producibility - Preferred)
Insulator
L: PEEK (UL 94 / V-0/1.5)
Rated current
8 A
Vtest (contact-contact)
1.7 kV (DC)
Vtest (contact-shell)
1.3 kV (DC)
Contact Dia.
0.9 mm (0.035in)
Gender
Standard

Form & Material

Shell style / Model id
EY - Fixed receptacle for printed circuit, harpoon fixing (back panel mounting)
Socket / Receptacle
Fixed Panel Rear Mounted
Housing material
Brass (chrome plated [SAE AMS 2460]) shell and collet nut, nickel plated [SAE AMS QQ N 290] brass latch sleeve and mid pieces
Locking system
Push-pull
Keying
G: 1 key (alpha=0, plug: male contacts, receptacle: female contacts)
Colour
Grey
Variant
Harpoon fixing
Weight
7.7 g
Panel Drill Hole
M9

Environment

Technical domain
Audio Video, Energy and Industrial, Medical, Semiconductor, Specialties and Other, Test and Measurement, Transportation, Aerospace and UAV
Environmental sealing (IP rating)
IP50
Endurance
5000 mating cycles
Temperature range
-55°C / +250°C (max. temperature valid for short periods of use.)
Climatic Category
55/175/21
Humidity (max)
<=95% [at 60 deg C /140 F]
Shielding (min)
75 dB (10 MHz)
Shielding (min)
40 dB (1 GHz)
Shock Resistance
100 g [ 6 ms]
Vibration
15 g [10 Hz - 2000 Hz]
Salt Spray Corrosion
>1000 hr

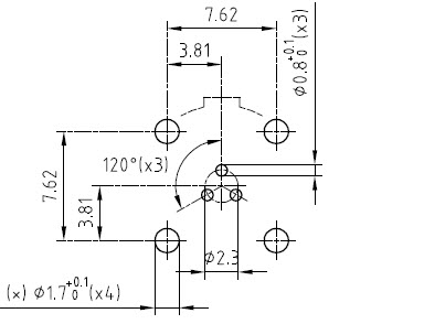
Technical plans

https://web.lemo.com/img/Illustrations/b/types/0_303_f.gif
https://web.lemo.com/img/Illustrations/b/keys/g.gif

尺寸

A B C D E M N P S1 e
mm. 12 10 12.5 7.62 2.6 2.5 15 6 8.2 M9x0.6
in. 0.47 0.39 0.49 0.3 0.1 0.1 0.59 0.24 0.32
B - Indoor keyed
B - Indoor keyed
插拔自锁
8种尺寸
最多64芯
多个定位销角度
适用于室内/受保护环境(IP50)
主要功能
插拔自锁
8种尺寸
最多64芯
多个定位销角度
适用于室内/受保护环境(IP50)
Cable Assembly UK
电缆组装服务

您将从 LEMO 推挽式连接器中获得同样高质量的电缆组件。

发现
联系我们
Contact-us-1576x512.jpg

您有挑战性项目吗?

无论环境多么恶劣,雷莫(LEMO)都可以提供现成的连接解决方案。

我们始终面临着各种挑战,但也因此不断创新。我们随时准备好听取您的需求,并迅速为您提供定制服务。真诚期待您的联系,让我们共同推动您的项目取得成功。