Receive the same high quality cable assemblies that you've come to expect from LEMO Push-Pull connectors.
- Home
- Solutions
- SPECIALTIES
- R - Rectangular
- EGA.1R.336.ALN
Electrical Configuration
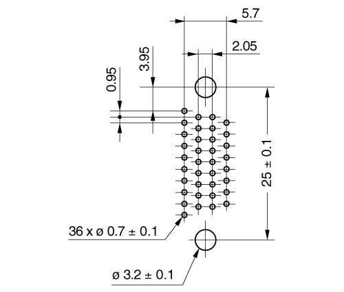
- Number of contacts Low Voltage
- 36
- Contact Termination Low voltage
- PCB - Straight
- Insert configuration value
- 1R.336 - 36 low voltage
- Footprint IPC Class3 compatibility
- Yes
- Class3 Productibility Level Compatibility
- A (General Design Producibility - Preferred)
- Insulator
- L: PEEK (UL 94 / V-0/1.5)
- Rated current
- 2.5 A
- Contact Dia.
- 0.7
Form & Material
- Shell style / Model id
- EGG - Fixed receptacle, key (G) or key (A)
- Socket / Receptacle
- Fixed Panel Front Mounted
- Housing material
- Crastin® PBT (Polybutylene terephthalate), blue
- Locking system
- Push-pull
- Keying
- 3 keys (alpha=42,gamma=30, plug: male contacts, receptacle: female contacts)
- Weight
- 12.19 g
Environment
- Environmental sealing (IP rating)
- IP50
- Temperature range
- -30°C / +150° C
Technical plans
Dimensions
| A | B | L | M | |
|---|---|---|---|---|
| mm. | 37 | 12.5 | 18 | 14.5 |
| in. | 1.46 | 0.49 | 0.71 | 0.57 |
CAD
Download 3D draw - Traceparts
Download 3D draw - PARTcommunity
For proprietary reasons, our customer models are simplified and show the external features only. The internal geometry is not depicted. These 3D models are for modeling and rendering purposes only. Please use the 2D pdf and/or catalog dimensions for design and inspection purposes. Also, we are using a generic part numbering scheme using "Z" in place of missing information on the model.


Do you
have a
challenging
project?
No matter how harsh the environment may be, LEMO has a solution ready for you to implement today.
If not, we promise to relentlessly innovate and develop one for you.
Please take a moment to reach out and describe your project, technical specifications and deadlines. We are standing by and looking forward to hearing from you - and adding your business to our thousands of longstanding satisfied customers, partners and employees - very soon.